Комбинированная настенная система является сочетание постальные шпунтовые сваии H-свай или трубчатых свай, которые могут обеспечить высокую производительность сечения - более высокий модуль сечения в проектах. Комбинированные стеновые системы часто используются в проектах строительства портов, портов, верфей и доков, где требуются продукты с длительным забиванием.
Комбинированная стенка из шпунта может быть разделена на следующие категории:
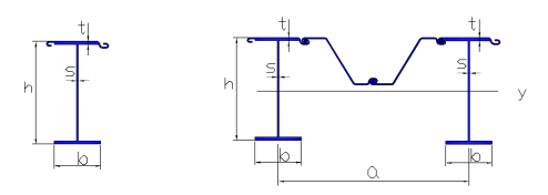
1. Комбинированная стенка HZ: это означает комбинацию свай H (SLHZ880MA, SLHZ880MB, SLHZ880MC, SLHZ1080MA, SLHZ1080MB, SLHZ1080MC, SLHZ1080MD, SLHZ1180MB, SLHZ1180MC, SLHZ1180MD) и ZHZ1180MD. Сваи Z также можно заменить на шпунтовые сваи типа U и омега-типашпунтовые сваи.
T H-сваи будут иметь систему блокировки для соединения шпунтовых свай.

2. Комбинированная стенка OZ. Это означает комбинацию трубчатых свай (SSAW / SAWH Pipe Piles) и Z-образных свай. Сваи Z также могут быть заменены на шпунтовые сваи типа U и омеги.
I нтерлоки будут приварены к трубным сваям, чтобы трубные сваи могли соединяться с Zшпунтовые сваи.

Shunli Steel Group, как крупнейшая и ведущая производитель изстальные шпунтовые сваиКомпания combi wall в Китае предлагает своим клиентам различные решения для комбинированных стен:
а. HZ Combi Wall
Shunli мог не только предлагать сваи Z, но и производить сваи H с блокировками. Как холоднокатаные блокировки, так и горячекатаные разъемы C9 доступны по запросу.
б. OZ Combi Wall
Оснащенный тремя производственными линиями свай трубчатых труб SSAW / SAWH, Shunli также может поставлять сваи трубных труб с холоднокатаными муфтами и горячекатаными соединителями C9.
Для получения дополнительной информации о шпунтовых сваях, трубных сваях, соединителях и комбинированных стенах, пожалуйста, не стесняйтесь обращаться в Shunli Steel Group.